|
|
- 12th PVPMC Workshop Highlights (24537 downloads )
- 11th PVPMC Factory Tours Program (14748 downloads )
- 2019 PVPMC China Technical Tour Details (12477 downloads )
- 2018 PVPMC Workshop Program_Final (13403 downloads )
- 2018 PV Systems Symposium - Grid Integration Track Program (1420 downloads) (10170 downloads )
- 2016 PV Systems Symposium Save the Date (10526 downloads )
- 2017 PVLib user group meeting highlights (10102 downloads )
- 2019 PV Systems Symposium Slide Questions (14117 downloads )
- 2022 PV Performance Modeling Workshop Program (10674 downloads )
- 7th PVPMC Workshop Information - Lugano 30-31 March 2017 (11441 downloads )
- 7th PVPMC Workshop Program (11356 downloads )
- 8th PVPMC Workshop Program (10636 downloads )
- A Status Update on the National Solar Radiation Data Base (NSRDB) (11175 downloads )
- Guidelines for ensuring data quality for photovoltaic system performance assessment and monitoring (9076 downloads )
- How to use the Loss Factors and Mechanistic Performance Models effectively with PVPMC/PVLIB (16307 downloads )
- In-Situ Comparison of Five Soiling Measurement Systems (10366 downloads )
- Multiple Satellite Models for On-Site Long-Term References (21571 downloads )
- PV Performance Modeling Workshop Summary Report (11646 downloads )
- Satellite Irradiance Model Accuracy Improvements: Access to Latest Inputs and >20-year Validation (15328 downloads )
- SAVE THE DATE for the 7th PV Module Performance Modeling and Energy Rating Workshop (9773 downloads )
- Self-shading analysis in PV simulation: Comparison of different software packages (16128 downloads )
- Towards a Generalized, Fully anisotropic Transposition Model (15409 downloads )
- Transient weighted moving average model of photovoltaic module back-surface temperature (15284 downloads )
- A Comparison Study of the Performance of South/North-facing vs East/West-facing Bifacial Modules under Shading Conditions (9918 downloads )
- A Detailed Model of Rear-Side Irradiance for Bifacial PV Modules (9919 downloads )
- A Detailed Performance Model for Bifacial PV Modules (10233 downloads )
- A Performance Model for Bifacial PV Modules (10491 downloads )
- A Practical Irradiance Model for Bifacial PV Modules (10722 downloads )
- A Standardized Approach to PV System Performance Model Validation (11206 downloads )
- Accelerating PV Cost Reduction Through an Open-Source Software Ecosystem (14855 downloads )
- Algorithmic Aspects of a Commercial-Grade Distribution System Load Flow Engine (9107 downloads )
- Analysis of Irradiance Models for Bifacial PV Modules (10183 downloads )
- Analysis of the Impact of Installation Parameters and System Size on Bifacial Gain and Energy Yield of PV Systems (10784 downloads )
- Assessment of Performance Loss Rate of PV Power Systems (15626 downloads )
- Bifacial Photovoltaic Modules and Systems: Experience and Results from International Research and Pilot Applications (15814 downloads )
- Climatic Rating of Photovoltaic Modules: Different Technologies for Various Operating Conditions (88167 downloads )
- Comparison of High-Frequency Solar Irradiance: Ground Measured vs. Satellite-Derived (9163 downloads )
- Creation and Value of Synthetic High-Frequency Solar Simulations for Distribution System QSTS Simulations (9294 downloads )
- Designing New Materials for Photovoltaics: Opportunities for Lowering Cost and Increasing Performance through Advanced Material Innovations (15470 downloads )
- Development of Low-Cost, Crack-Tolerant Metallization Using Screen Printing (14328 downloads )
- From IEC 61853 power measurements to PV system simulations (9787 downloads )
- [Download not found]
- High Temporal Resolution Load Variability Compared to PV Variability (9213 downloads )
- How to Check if your PV System is Measuring Up to Expectations (12958 downloads )
- IEC 60904 Part 1-2: Measurement of current-voltage characteristics of bifacial photovoltaic (PV) devices (Draft A) (10794 downloads )
- Introduction to the Open Source PV LIB for Python Photovoltaic System Modelling Package (10118 downloads )
- Modeling Electrical Shading Effects in PVsyst (13486 downloads )
- One Year Performance Results for the Prism Solar Installation at the New Mexico Regional Test Center: Field Data from February 15, 2016 - February 14, 2017 (11052 downloads )
- Outdoor Field Performance from Bifacial Photovoltaic Modules and Systems (10405 downloads )
- Outdoor Field Performance of Bifacial PV Modules and Systems (10375 downloads )
- Performance of Bifacial PV Modules with MLPE vs. String Inverters (10057 downloads )
- Performance of New Photovoltaic System Designs (15755 downloads )
- Predetermined Time-Step Solver for Rapid Quasi-Static Time Series (QSTS) of Distribution Systems (9173 downloads )
- PV Lifetime Project: Measuring PV Module Performance Degradation: 2018 Indoor Flash Testing Results (11717 downloads )
- PV Performance Modeling Methods and Practices: Results from the 4th PV Performance Modeling Collaborative Workshop (10171 downloads )
- PV Performance Modeling with PVPMC/PVLIB (12275 downloads )
- PVLIB Python 2015 (9960 downloads )
- pvlib python: a python package for modeling solar energy systems (27195 downloads )
- Qualification of Photovoltaic (PV) Power Plants using Mobile Test Equipment (15380 downloads )
- Quantification of Technical Risks in PV Power Systems (16084 downloads )
- Service Life Estimation for Photovoltaic Modules (15940 downloads )
- The Photovoltaic Performance Modeling Collaborative (10640 downloads )
- Uncertainties in Yield Assessments and PV LCOE (16246 downloads )
- View Factor Model and Validation for Bifacial PV and Diffuse Shade on Single-Axis Trackers (9231 downloads )
- PV Performance Modeling Workshop Summary Report (11911 downloads )
- IEC 60904 Part 1-2: Measurement of current-voltage characteristics of bifacial photovoltaic (PV) devices (Draft A) (11065 downloads )
- Review of SunPower Fleet-Wide System Degradation Study using Year-over-Year Performance Index Analysis (15327 downloads )
- Sample size guidelines for PV lifetime project (10563 downloads )
- IEEE 1547 – New Interconnection Requirements for Distributed Energy Resources Fact Sheet 1 (14460 downloads )
- IEEE Standard 1547™— Communications and Interoperability: New Requirements Mandate Open Communications Interface and Interoperability for Distributed Energy Resources (14737 downloads )
- From IEC 61853 power measurements to PV system simulations (9779 downloads )
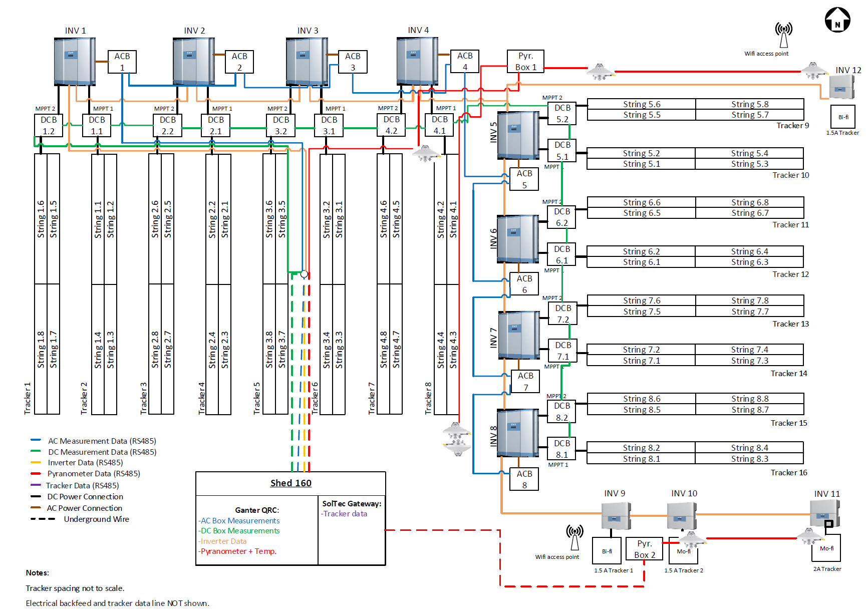
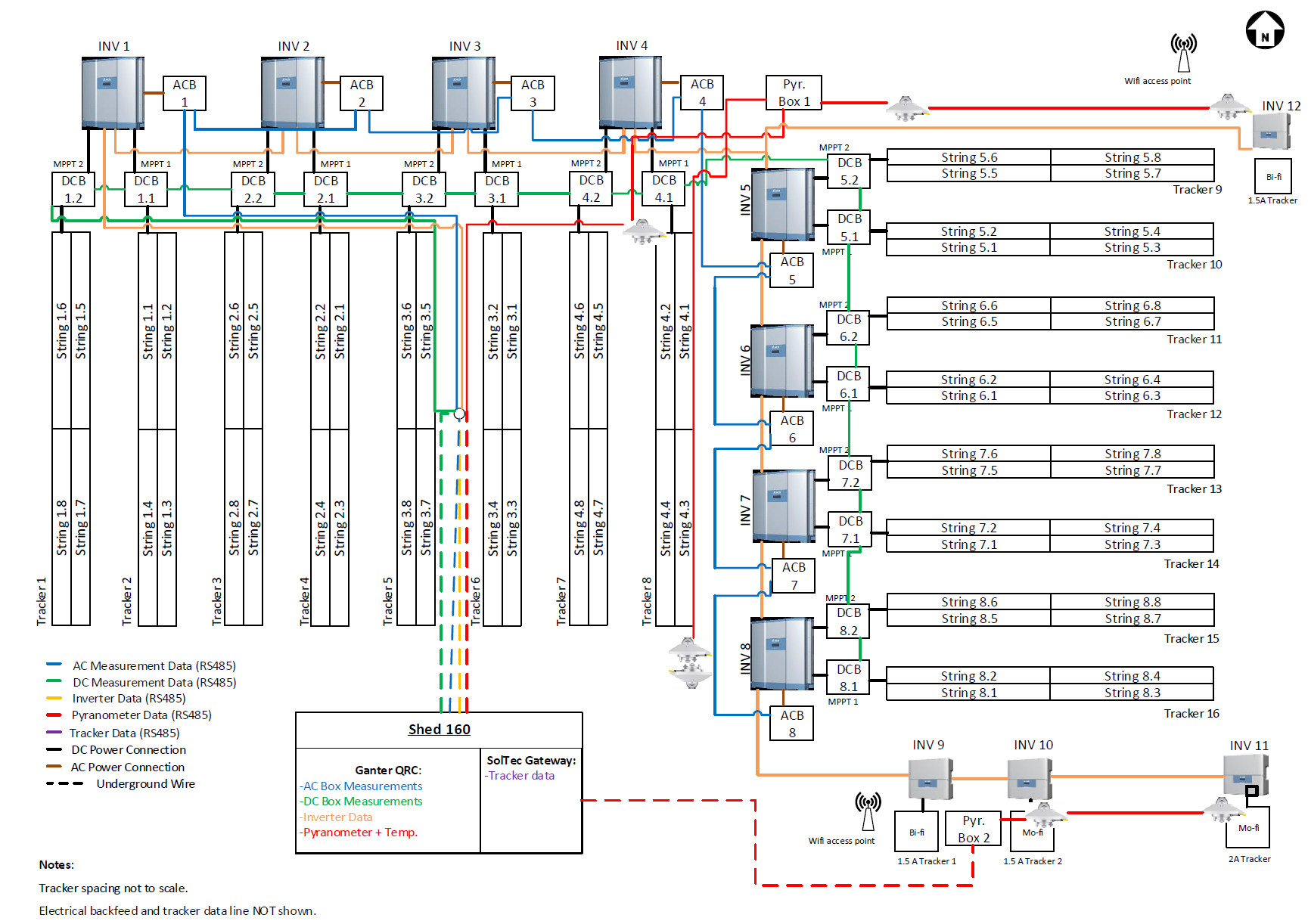
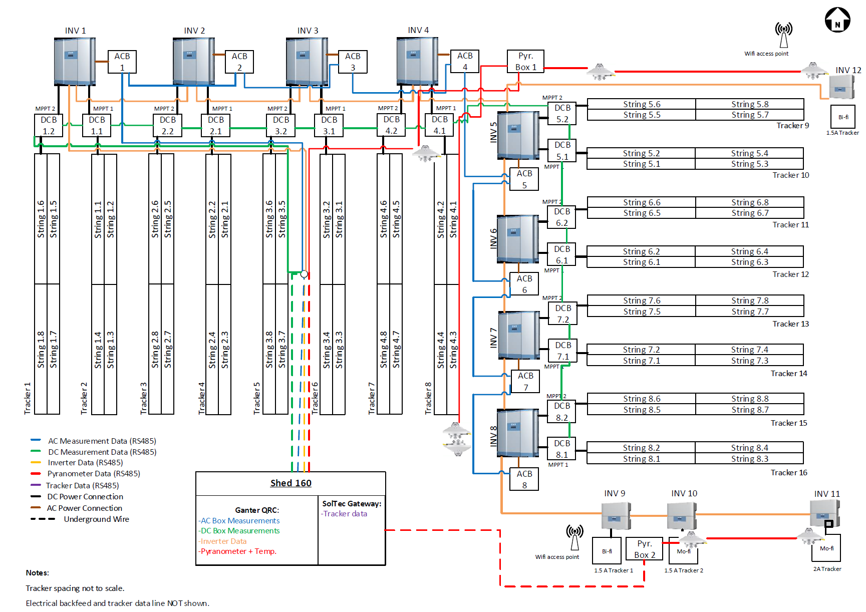
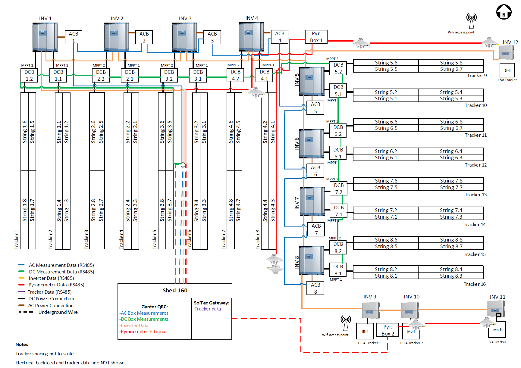
- ABQ 1-line diagram (98637 downloads )
- ABQ_NM_Mesa.zip (11658 downloads )
- ABQ_NM_PSEL.zip (12058 downloads )
- Albuquerque_NM_meteo.xlsx (95267 downloads )
- Boise_ID.zip (12178 downloads )
- Canadian Solar CS6K-270P Module (9309 downloads )
- Canadian Solar CS6K-275M Module (176908 downloads )
- Canadian Solar CS_CS6K-275M (94518 downloads )
- Delta RPI M50A (96397 downloads )
- [Download not found]
- Hanwha Q CELLS Q.Peak-G4.1 300 Module (9188 downloads )
- Hanwha Q CELLS Q.PLUS BFR-G4.1 280 Module (9599 downloads )
- HoursOfYear.zip (12001 downloads )
- IAM+NMOT Test Report - Canadian Solar CS6K-270P (9140 downloads )
- IAM+NMOT Test Report - Canadian Solar CS6K-275M (94440 downloads )
- IAM+NMOT Test Report - itek Energy IT-360-SE72 (9414 downloads )
- IAM+NMOT Test Report - Jinko JKM260P-60 (9131 downloads )
- IAM+NMOT Test Report - LG LG320N1K-A5 (9082 downloads )
- IAM+NMOT Test Report - Mission Solar Energy MSE300SQ5T (8979 downloads )
- IAM+NMOT Test Report - Panasonic VBHN325SA 16 (94581 downloads )
- IAM+NMOT Test Report - QCELLS Q.Peak-G4.1 300 (9051 downloads )
- IAM+NMOT Test Report - QCELLS Q.PLUS BFR-G4.1 280 (9197 downloads )
- IEA PVPS Module Characterization Data (83464 downloads )
- IEA PVPS Task 13: 2018_07.csv (81411 downloads )
- IEA PVPS Task 13: 2018_08.csv (81823 downloads )
- IEA PVPS Task 13: 2018_09.csv (81263 downloads )
- IEA PVPS Task 13: 2018_10.csv (81216 downloads )
- IEA PVPS Task 13: 2018_11.csv (80833 downloads )
- IEA PVPS Task 13: 2018_12.csv (80017 downloads )
- IEA PVPS Task 13: 2019_01.csv (80166 downloads )
- IEA PVPS Task 13: 2019_02.csv (80457 downloads )
- IEA PVPS Task 13: 2019_03.csv (80564 downloads )
- IEA PVPS Task 13: 2019_04.csv (80697 downloads )
- IEA PVPS Task 13: 2019_05.csv (80637 downloads )
- IEA PVPS Task 13: 2019_06.csv (80204 downloads )
- IEC-61853-1 Matrix Data for Nine PV Modules (100895 downloads )
- INSTRUCTIONS_PV_modeling_comparison.doc (95045 downloads )
- Itek Energy IT-360-SE72 Module (9226 downloads )
- Jinko Solar JKM260P-60 Module (9679 downloads )
- Lanai_HI.zip (12637 downloads )
- Las_Vegas_NV.zip (11835 downloads )
- LG LG320N1K-A5 Module (9374 downloads )
- Livermore_CA.zip (13192 downloads )
- Mayaguez_PR.zip (12245 downloads )
- Mission Solar MSE300SQ5T Module (9232 downloads )
- PAN File (Canadian Solar CS6K-270P) (8859 downloads )
- PAN File (Canadian Solar CS6K-275M) (94344 downloads )
- PAN File (Hanwha Q Cells Q.PEAK G4.1 300) (9269 downloads )
- PAN File (Hanwha Q Cells Q.PLUS BFR-G4.1 280) (9090 downloads )
- PAN File (Itek Energy IT-360-SE72) (9434 downloads )
- PAN File (Jinko Solar JKM260P-60) (9707 downloads )
- PAN File (LG LG320N1K-A5) (9504 downloads )
- PAN File (Mission Solar MSE300SQ5T) (9419 downloads )
- PAN File (Panasonic VBHN325SA 16) (94130 downloads )
- Panasonic VBHN325SA 16 Module (9358 downloads )
- Panasonic VBHN325SA16 (93821 downloads )
- Results.xlsx (95139 downloads )
- Roskilde 1-line diagram (97549 downloads )
- Roskilde_DK_meteo.xlsx (94003 downloads )
- Sacramento_CA.zip (12132 downloads )
- San_Diego_CA.zip (11941 downloads )
- SMA Tripower 20000TL-US (94375 downloads )
- Trina Allmax+ 305W (96564 downloads )
- Trina Duomax Twin 295 (96471 downloads )
- Variability_Zones.zip (97394 downloads )
- "PV+" Energy Storage Microgrid Power Plant Design Analysis (14717 downloads )
- 5-parameter PV Module Model (10129 downloads )
- A comparison of bifacial PV system energy yield modeling tools applied to 1P single-axis tracker system (14454 downloads )
- A General Bifacial Photovoltaic Device Method to Predict System Performance with Albedo (12942 downloads )
- A model to evaluate the self-shading effect by bifacial system (13930 downloads )
- A Photovoltaic PowerPrediction Approach Enhanced by Feature Engineering and Stacked Machine Learning Model (8970 downloads )
- A Review of Measured/Modeled Solar Resource Uncertainty (10164 downloads )
- A Status Update on the National Solar Radiation Data Base (NSRDB) (16408 downloads )
- A Sunny Resilient Energy Future (13837 downloads )
- A System Degradation Study of 445 Systems using Year-over-Year Performance Index (10011 downloads )
- Advanced Failure Diagnostic Approach for Grid-Connected Photovoltaic Systems (14880 downloads )
- Advanced Inverter Planning: Voltage and Protection (14019 downloads )
- Advanced Protection for Inverter-Based Systems (12888 downloads )
- Advanced PV performance analysis on modules and power plants using cloud-based processing (16331 downloads )
- Advanced Solar PV Energy Pre-Construction Losses: Losses due to uneven terrain, tracker wind stowing, and sub-hourly clipping error (13125 downloads )
- Advanced system monitoring and artificial intelligent data-driven analytics to serve GW-scale photovoltaic power plant and energy storage requirements (13393 downloads )
- Advancements in Satellite-Ground Tuning: DNI and DHI (15035 downloads )
- Advances in Distribution System Time-Series Analysis for Studying DER Impacts (9776 downloads )
- Advances in Solar Measurement and Modeling at NREL (14805 downloads )
- AI modeling methods for PV tracker technology (13681 downloads )
- Albedo Data to Facilitate Bifacial PV System Planning (14543 downloads )
- An International PV Collaborative to Advance Multi-climate and Performance Research (18227 downloads )
- Angular Response Correction Factors for Comparing PV Reference Cells and Thermopile Pyranometers (13016 downloads )
- Applying IEEE Standard 1547-2018 (14526 downloads )
- Applying the Resilient Node Cluster Analysis Tool (ReNCAT) to site Microgrids in Puerto Rico for Community Resilience (13592 downloads )
- Approaches to Sky Image Based Single Axis Tracker Algorithms (13473 downloads )
- Artificial Neural Network based Research in Bifacial PV System Design Concept (14526 downloads )
- Automatic Detection of Soiling Zones and Rates for Optimized PV Plant Cleaning (14728 downloads )
- Automating the Solar Resource and Production Assessment (12970 downloads )
- Best Practices for Bifacial Energy Modeling (14394 downloads )
- Best-Practices in PV Plant Performance Degradation Benchmarking (14673 downloads )
- Bifacial Benefits in Snowy Conditions: Single Axis Tracking Field Observations in Modeling (12988 downloads )
- Bifacial Performance Optimization Studies using Bifacial Radiance and High Performance Computing (10277 downloads )
- Bifacial Photovoltaic Performance Optimization Using Ray Tracing and High Performance Computing (45482 downloads )
- Bifacial PV Performance Models: Comparison and Field Results (10830 downloads )
- Bifacial PV System Performance: Investigation of Shading Conditions (10145 downloads )
- Bifacial PV System Performance: Separating Fact from Fiction (10865 downloads )
- Bifacial Solar Photovoltaic Panel Performance at High Latitudes (18323 downloads )
- Black & Veatch .PAN File Creation Service (10031 downloads )
- Bridging scientific research and industry: Research progress on industrial crystalline silicon solar cells at SJTU (14833 downloads )
- Calculating Model Shading Inputs from Design Data (15075 downloads )
- Calculation Models for Land Usage of PV Farms (14867 downloads )
- Calibration Methodology of the University of Oregon Solar Radiation Monitoring Laboratory (14573 downloads )
- captest - Open Source package for Reproducible Performance Testing (14864 downloads )
- Challenges of PV Degradation Analysis: PVLIB and Performance Data Analysis (9573 downloads )
- Changes in IV characteristics of a PV module with interconnects that are failing during cyclic mechanical loading (14638 downloads )
- Characterization of Nearly Transparent Films for Use in Soiling Experiments (13798 downloads )
- Characterizing and modeling the performance of bifacial photovoltaic modules and systems (15718 downloads )
- China Photovoltaic Industry Development Analysis (13840 downloads )
- CIGS module performance and modeling (14196 downloads )
- Classification Method to Predict the Effect of Short-Term Inverter Saturation on PV Performance Modeling (12779 downloads )
- Climatically Diverse Data Set for Flat-Plate PV Module Model Validations (14489 downloads )
- Closing Remarks (2013 PVPMC Workshop) (14831 downloads )
- Comparison of Bifacial Solar Irradiance Models with Field Validation (14657 downloads )
- Comparison of Cloud Speed Data for Solar Ramp Rate Analysis (17726 downloads )
- Comparison of different wafer based bifacial and monofacial module technologies at different sites (13842 downloads )
- Comparison of modeling methods and tools for bifacial PV performance (15833 downloads )
- Comparison of ray tracing rendering technique with ground measurements for improved solar radiation modeling (13681 downloads )
- Comparison of remote- and ground- based albedo measurement for solar resource assessment (14593 downloads )
- Comparison of TPT and Thermally Conductive Backsheets in PV Modules (13892 downloads )
- Comparison of Uncertainties in Power Plant Modeling and real world data (14699 downloads )
- Condition monitoring platform for proactive and reactive operation and maintenance (O&M with enhanced data analytic functionalities (13739 downloads )
- Conductive Cooling of Solar Photovoltaic Modules in Unperturbed Atmospheric Conditions (12795 downloads )
- Cross-validation of PV Simulation Software (14691 downloads )
- Cross-validation of PV Simulation Software (17558 downloads )
- Current PV Status of China and Future Forecast (14758 downloads )
- Cybersecurity for DER Devices (13842 downloads )
- DALY Next Generation Solar + Storage Modeling Software (13429 downloads )
- Decreasing PV Module Temperature with Thermally Conductive Backsheets (15099 downloads )
- Degradation Rate Modeling for Encapsulant Discoloration of Photovoltaic Modules Discoloration (17658 downloads )
- Degradation Science of PERC Technology: Mechanistic Investigation with Advanced Characterization (15078 downloads )
- DER Connection Application and Screening (13343 downloads )
- Deriving Thermal Response Coefficients for PVSyst (14211 downloads )
- DERMS with IOU-Owned Assets (14021 downloads )
- Determination of Sandia Thermal Model Coefficients and ΔT for PV Modules with New Backsheet Types (18360 downloads )
- Determining Coefficients for the Sandia Array Performance Model (9858 downloads )
- Develop a System-level Model for Grid-connected PV stations based on Energy Flow (13790 downloads )
- Development and Comparative Performance of Clear-Sky and All-Sky Soiling Data Filters (14131 downloads )
- Development of Automated Methods to Determine the Quality of Long-term PV Data Sets (13976 downloads )
- Differential Analysis of the Incident Angle Response of Utility-Grade PV Modules (14427 downloads )
- Diffuse Irradiance and Tracker Simulations (10140 downloads )
- Distribution Function Instead of Steady-State Assumption in Time-Series Simulation (13031 downloads )
- DRIVE and PowerClerk Interface Tool to Expedite DER Interconnection Screening Process (13946 downloads )
- Dynamic Snow Loss Model and Validation (14822 downloads )
- Early Life PV System Degradation Evaluation and Modeling Based on Cumulative Exposure to Environmental Stressors (14620 downloads )
- Economic dispatch for DC-connected battery systems on large PV plants (15145 downloads )
- Effects of Snowfall on PV Systems (15069 downloads )
- Eliminating Back-of-Module Temperature Sensors for Reference Modules Using Voc Temperature Measurement (17469 downloads )
- Energy Resilience for Puerto Rico (14454 downloads )
- Energy Resilience for Puerto Rico (13558 downloads )
- Estimating Subhourly Clipping from Hourly Data: A Simplified Approach (12976 downloads )
- EU COST Action PEARL PV: Performance and Reliability of Photovoltaic Systems: Evaluation of large-Scale Monitoring Data; WG5 PV in grids (17645 downloads )
- EU COST Action PEARL-PV: Performance and Reliability of Photovoltaic Systems: Evaluations of Large-Scale Monitoring Data (17651 downloads )
- Evaluating Energy Gains on Intelligent Tracker Control Algorithms with Alternating A-B Tests (13347 downloads )
- Evaluating Near-term Protection Solutions for PV Applications (13316 downloads )
- Evaluating PV Field Grounding Performance with Simulations for Lightning Transient Energy (14922 downloads )
- Evaluations Mars Optical Soiling Sensor (14661 downloads )
- Existing Field Performance Models Cannot Describe Perovskite Modules (13331 downloads )
- Experimental Methods to Replicate Power Loss of PV Modules in the Field for the Purpose of Fault Detection Algorithm Development (14606 downloads )
- Fast Grid Frequency Support from Distributed Inverter-based Resources (13861 downloads )
- Fast In-Field Imaging of PV Modules for Crack Detection: Methods, Results, and Modeling Implications (18061 downloads )
- Fault Detection and Location on Photovoltaic Systems Using Spread Spectrum Time Domain Reflectometry (SSTDR) (12347 downloads )
- Field Performance of Bifacial PV Modules and Systems (12439 downloads )
- Field Performance of Bifacial PV Modules and Systems (10237 downloads )
- Field Performance of Bifacial PV Modules and Systems (10405 downloads )
- Finite Element Models to Predict Module-Level Degradation Mechanisms and Reliability (14169 downloads )
- Finite Element Thermal Analysis Supporting a Transient Moving-Average Module Temperature Prediction Model (14006 downloads )
- Fleet-scale PV Performance Analytics (14843 downloads )
- Flexible Methods for Deriving POA Irradiance (9706 downloads )
- Generating Module Files in PlantPredict (14013 downloads )
- Glass-Glass Photovoltaic Modules – Overview of Issues (10959 downloads )
- Grid Forming Inverters in Microgrid Systems (13494 downloads )
- Grid-forming Power Electronics for Low-inertia Power Systems (13468 downloads )
- Guidelines for ensuring data quality for photovoltaic system performance assessment and monitoring (9583 downloads )
- Hardware-in-the-Loop simulation for grid integrated PV systems (13796 downloads )
- Hierarchical Context-Aware Anomaly Diagnosis in Large-Scale PV Systems Using SCADA Data (14748 downloads )
- Hierarchical Fault Detection and Multimodal Diagnosis in Large-Scale Photovoltaic Systems (14465 downloads )
- High resolution global albedo data and implications on simulation of monofacial PV (14362 downloads )
- Horizontal Axis Trackers with Bifacial Modules in PVsyst (14866 downloads )
- Hourly Modeling Corrections for PV Energy Assessments (13092 downloads )
- How Monitoring Services of Distributed Solar PV Production Benefits from Machine Learning (14614 downloads )
- How to use the Loss Factors and Mechanistic Performance Models effectively with PVPMC/PVLIB (10650 downloads )
- Identifying Best Mitigation Options for Higher PV Penetration in New York Distribution Grid (13964 downloads )
- IEC 61853 Energy Rating of PV Modules - Measurement Methods and Lessons Learned (14925 downloads )
- IEEE Draft Standard P1547.1 Status Update Validating Conformance to IEEE 1547-2018 (14140 downloads )
- Impact Analysis of High PV Penetration on Protection of Distribution Systems Using Real-Time Simulation and Testing – A Utility Case Study (13008 downloads )
- Impact of PV Module Degradation Rate on Utility Scale Systems (14981 downloads )
- Impact of Reactive Power Control Functions on Active Power Generation (14478 downloads )
- Impact of Satellite-Based Solar Resource Models (SRM) on Utility Scale PV System Design and Project Economics (14272 downloads )
- Improved Heat Transfer Correlation for Large Scale Solar PV Convection Modeling (13480 downloads )
- Improved Model of Solar Resource Variability Based on Regional Aggregation by Climate Zone (17702 downloads )
- Improved PV System Modeling with ML-Based Power Model: Case Study of a Commercial Building (14543 downloads )
- Improved Tracking Schemes for Half-Cut Photovoltaic Modules (13494 downloads )
- Improvements in CFV’s Outdoor IAM Measurement Method (15037 downloads )
- Improving Analysis Methods for IEC 61853 Matrix Measurements (12961 downloads )
- In-Situ Comparison of Five Soiling Measurement Systems (15923 downloads )
- Incident Angle Modifier (IAM) Round Robin Updates (14549 downloads )
- Indoor Soil Deposition Chamber: Validation of Anti-Soiling Coating Claims (14384 downloads )
- Innovation towards High Penetration of RE: Strategies, Trends, and Exertions (14980 downloads )
- Innovative Surveying Method and Monitoring Platform at Aerospec (15572 downloads )
- Integration of PV-RPM into the System Advisor Model (SAM) (15145 downloads )
- Introduction to DERMS (14433 downloads )
- Introduction to HelioScope (9716 downloads )
- Introduction to the 2016 PVLIB User Group Meeting (11691 downloads )
- Introduction to the 7th PVPMC Workshop (15483 downloads )
- Inventory of PV Performance Modeling Software (13985 downloads )
- Irradiance Uniformity Mapping Module (13240 downloads )
- Irradiance-induced Ramp Rates in the Low Voltage Distribution Grid (17716 downloads )
- Irradiance: What is Your Sensor Really Telling You? (15342 downloads )
- Large-Scale PV Plant Performance Benchmarking (13699 downloads )
- Latest Developments in Solar Irradiance Measurement (15307 downloads )
- Latest Developments in Solar Irradiance Measurement (15565 downloads )
- Latest developments in solar irradiance measurement; improving measurement accuracy, improving data availability (15251 downloads )
- LCOE Reduction Through Proactively Optimized PV System Monitoring (14631 downloads )
- Lessons Learned from Operational Energy Data to Inform Pre-Construction Estimates (14912 downloads )
- Load-matching renewable plus storage system modeling in NREL SAM (2021.12.2r2) (13240 downloads )
- Local and Regional PV Power Forecasting – Combining on-site measurements, satellite data and weather predictions (15496 downloads )
- Look Mom, No MET Station! (15022 downloads )
- Making the Most of Module Matrix Measurements (14372 downloads )
- Maximizing Value of Solar and Energy Storage Installations in NY (13307 downloads )
- Measuring Maximum Plane-of-Array Irradiance (15175 downloads )
- Measuring PV System Soiling Losses (15109 downloads )
- Mismatch Losses in HelioScope (15411 downloads )
- MLPE Performance Modeling - Module Level Power Electronics (14473 downloads )
- Model and Validation of Single-Axis Tracking with Bifacial PV (13149 downloads )
- Model of In-Plane Solar Irradiance for Front and Rear Side of PV Arrays (15118 downloads )
- Model Validation Methodology and Results (15333 downloads )
- Modeling Method for Rear-face Spectral Irradiance at Standard Test Condition and Its Application to Power Rating of Bifacial PVModule (15015 downloads )
- Modeling methods and tools for bifacial PV+tracker performance (15137 downloads )
- Modeling Needs for Performance Guarantees (15099 downloads )
- Modeling of PV Module Power Degradation to Evaluate Performance Warranty Risks (15182 downloads )
- Modeling of Unconventional PVs and their Standardization - Curved Surface, Vehicle-Integration, Mult-Junction Cells, and Static Concentrators (15131 downloads )
- Modeling Spectral Solar Irradiance for Solar Energy Applications (15096 downloads )
- Modeling Technique for Reconfigurable PV Module Embedded with CMOS Switches (17660 downloads )
- Monitoring DER Integrity using Machine Learning Algorithms on a Single Board Computer (13180 downloads )
- Motivation and Requirements for Quasi-Static Time Series (QSTS) for Distribution System Analysis (9690 downloads )
- Multiple Satellite Models for On-Site Long-Term References (21571 downloads )
- Novelties and new features in PVsyst (14688 downloads )
- NREL Publicly Available Tools for Resiliency and Hybrid Systems (13509 downloads )
- On-Site Solar Measurements for Bifacial Projects (14383 downloads )
- Online apps for solar prospecting: New challenges and industry needs (16582 downloads )
- Open Discussion Forum: Understanding DERMS - Applications, Deployment Strategies, Research Needs (14195 downloads )
- Open Software for Solar Power: Update (14341 downloads )
- Opportunities for New and Innovative Photovoltaic Modules and Systems (15099 downloads )
- Optimization of Back Reflectors for Bifacial Photovoltaic Modules (15241 downloads )
- Optimization-Based Valuation Methodology of Distributed Energy Resource Portfolios (13800 downloads )
- Optimizing Voltage on Feeders with Distributed PV Using Dynamic Secondary Voltage Controllers (14748 downloads )
- Optimum PV power forecasting modelling based on artificial neural networks (18229 downloads )
- Orange Button 1.0 : An Open Source Data Taxonomy for PV (13987 downloads )
- Orange Button: Accelerating PV Capabilities by Facilitating Data Exchange (11577 downloads )
- Overview of Module Characterization as Inputs to Performance Models (14790 downloads )
- Overview of Photovoltaic Module Performance Modeling Approaches (15853 downloads )
- GridPV Manual (Ver2) (13120 downloads )
- GridPV Toolbox (Ver 2.2) (17816 downloads )
- pvlib python: a python package for modeling solar energy systems (27975 downloads )
- PVLIB Ver.1.4 Matlab (2018) (19585 downloads )
- PV_LIB Toolbox (20590 downloads )
- Sandia_Bifacial-PV_View-Factor-code_0.2-1.zip (12953 downloads )
- WVM_v.1.3_2015_5.zip (12195 downloads )